Skip to content
The Computer Science
TheCScience
  • Engineering Subjects
    • Human Values
    • Computer System Architecture
    • Microprocessor
    • Digital Communication
    • Internet of Things
  • NCERT Solutions
    • Class 12
    • Class 11
  • Solutions
    • HackerRank
      • C Solutions
      • C++ Solutions
      • Java Solutions
      • Python Solutions
      • Algorithms Solutions
      • Data Structures Solutions
    • HackerEarth Solutions
    • Leetcode Solutions
  • JEE 2027
The Computer Science
TheCScience

Bus Architecture in Computer Architecture

YASH PAL, October 9, 2025February 23, 2026

Bus Architecture in Computer Architecture – Any processor-based system contains many components like memory, input-output, etc. There are many registers in a computer. To communicate the data between various components, a path is required.

There will be an excessive number of wires if separate lines are used between each register and all other registers in the system. Therefore, a common bus system is more preferable. A bus architecture consists of a collection of common lines, one for each bit of a register, through which binary information is transferred one bit at a time. To select a particular register, control lines are used. There are two methods to design the common bus system in a computer.

Table of Contents

  • Bus Architecture
    • Multiplexer-Based Bus Architecture
    • Tri-state Buffer-Based Bus Architecture
    • Comparison Between Various Common Bus Architectures

Bus Architecture

  1. Multiplexer based
  2. Tri-state buffer-based

Multiplexer-Based Bus Architecture

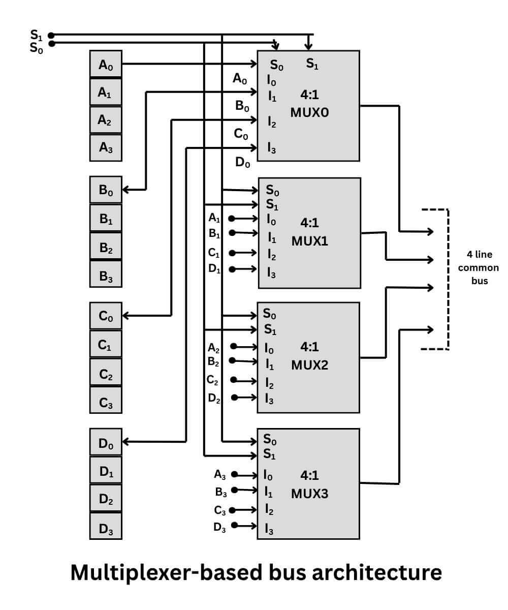
One efficient way of constructing a common bus system is using multiplexers. There are many registers in computer architecture. Multiplexers are simply used to select the source register and place the binary information on the bus. The bus architecture with four registers is shown in the figure below.

The bus consists of four 4:1 multiplexers. There are two selection lines, S1 and S0, which are used to select the particular input line of multiplexers.

Multiplexer based bus architecture
Multiplexer-based bus architecture

The above figure shows that the bits in the same significant position in each register are connected to the data inputs of one multiplexer to form one line of the bus. For example, if selection lines S1S0 = 0 0, then I0, the input of each multiplexer, reaches the output line.

It means the output of MUXO will be A0, the output of MUX1 will be A1, the output of MUX2 will be A2, and the output of MUX3 will be A3. In this way, the complete information from register A will move into the common bus. The function table for the common bus architecture shown in the above figure is given in the table below.

Selection lines S1Selection lines S0Register selected
S1S0
00Register A
01Register B
10Register C
11Register D
Functional table for common bus architecture

The writing into one of many registers from the bus can also be achieved by connecting the bus lines to the inputs of all destination registers and activating the load control of the particular destination register selected.

Note: A bus system will multiplex k registers of n-bits each produce an n-line common bus. For such a bus system, a number of multiplexers with k: 1 size are required.

Example 2.1: How many multiplexers are required to design a common bus architecture using a multiplexer? Also, find the size of each multiplexer. There are a total of 32 registers of 8 bits.

Solution: Number of multiplexers = number of bits
=8
Therefore total of 8 multiplexers are required
Size of multiplexer number of registers: 1
=32:1
Hence, the size of each multiplexer required is 32:1.

Tri-state Buffer-Based Bus Architecture

A tri-state buffer can also be used to construct a common bus system instead of a multiplexer. A tri-state buffer is characterized by the presence of three signal values: 0, 1, and high impedance (z). Two of the states are signals equivalent to logic 1 and logic 0, as in conventional logic gates. The third state (high impedance) state behaves like an open circuit, i.e., electrically disconnected from all voltage sources.

The symbol of a tri-state buffer is shown in the figure below. The symbol shows there are two input signals

  1. Normal input and
  2. Control input.

The control input signal makes it distinguishable from the normal buffer. When the control signal (active high) goes high, the buffer enables and behaves like any conventional buffer.

Whereas when the control signal goes low, the buffer goes to a high state and behaves as if there is no electrical connection between the input and output of the buffer. This is a special feature that is not available in conventional buffers. Because of this feature, a large number of tri-state buffer outputs can be connected with wires to form a common bus line without endangering loading effects.

Tri state symbol in bus architecture
Tri State Symbol
Control InputNormal InputOutput
00High Impedance
01High Impedance
100
111
Tri-state functional table

The common bus architecture using a tri-state buffer is shown in the figure below. This common bus system for one bus line is designed with the help of one decoder and four tri-state buffers. The output of the decoder is used as the control input of the buffers.

The decoder activates one of the buffers through the control input, and the normal input of that buffer reaches the output of the buffer. The other three buffers remain in a high impedance state and behave as electrically disconnected. The outputs of all four buffers are connected together to form a single bus line.

Tri state buffer based bus architecture in computer system
Tri state buffer based Bus Architecture

The above figure also shows an additional input “E” (enable input) to the decoder. When the enable input of the decoder is low (E=0), all of its four outputs are 0, and the bus line is in the high impedance state because all four buffers are disabled. When the enable input is active, one of the tri-state buffers will be active, depending on the binary value in the selection inputs of the decoder. The function table for bus architecture using a tri-state buffer is given in below.

EnableSelection linesSelection linesRegister selected
ES1S0
0xxHigh Impedance
100Register A
101Register B
110Register C
111Register D
Functional table for common bus architecture

In common bus architecture using tri-state bus is used to ensure that no more than one control input is active at any given time.

Note: To design a common bus using a tri-state buffer for k registers of n bits, n circuits with mimber buffer are required.

Comparison Between Various Common Bus Architectures

In the previous sections, two of the common bus architectures using a multiplexer and tri-state buffer were discussed. The basic limitation of the common bus architecture using a multiplexer is the fan-in and fan-out limit. The common bus architecture using a tri-state buffer greatly increases these limits and allows a large number of devices to be attached to the same line.

The tri-state buffer bus architecture also has another advantage over the multiplexer bus architecture that it supports bidirectional transmission over the bus by allowing the bus connection to serve as an input port and output port at different times.

However, a careful investigation will show that the combination of decoder and tri-state buffers is another way of constructing a multiplexer for better performance.


Related questions and answers

Why is a common bus system preferable in a computer system?

There will be an excessive number of wires in the bus if separate links are used between each register of the system. Therefore, a common bus system is preferable.

Write various methods to design a common bus system.

There are two methods to design the common bus system:
(i) Multiplexer-based
(ii) Tri-state buffer-based

What are the advantages of tri-state buffer bus architecture over the multiplexer bus architecture?

The common bus architecture using a tri-state buffer greatly increases the fan-in and fan-out limits and allows a large number of devices to be attached to the same line. The other advantage is that it supports bidirectional transmission over the bus by allowing the same bus connection to serve as an input port and an output port at different times.

Computer System Architecture engineering subjects Computer System Architectureengineering subjects

Post navigation

Previous post
Next post

Basic structure of a computer
Functional Units of a Computer
Development of Computers
Von Neumann and Harvard Machine Architecture
Flynn Classification
Computer Structure Architecture
Basic Computer Data Types
Arithmetic Complement
Real Numbers Representation
Interfacing Logic Devices
Levels of Design Abstraction
Performance Metrics

Register Transfer Language
Memory Transfer
Arithmetic Micro-operations
Arithmetic Complements
Logic Micro-operations
Shift Micro-operations
Bus Architecture
Data Transfer
Bus and Memory Transfer
Central Processing Unit
CPU Bus Architecture

Difference between Computer Architecture and Organization
Computer Register and Types
Common Bus System
Instruction Format
Instruction Types
Instruction Cycle
Fetch Decode Execute Instruction Cycle
Timing and Control of Instruction Cycle
Input-Output and Interrupt
Memory Reference Instructions
Addressing Modes
Design of a basic computer
Design of Accumulator Unit
Design of Control Unit
Difference between Hardwired Control and Microprogrammed Control

Basic Function of a Computer
Register organization
General Register Organization
Stack organization
Infix to Reverse Polish Notation Conversion
Instruction Types and their classifications
Data transfer and manipulation
Program control
RISC and CISC
Difference between RISC and CISC

Parallel Processing
Pipeline
Types of Pipeline
Arithmetic Pipeline
Instruction Pipeline
Hazards
RISC Pipeline
Vector Processing
Array Processors

Machine Language
Assembly Language
Arithmetic and Logical Operations
Subroutine
Data Representation
Addition and Subtraction
Adder Circuits
Shift and Add Multiplication Method
Booth's Algorithm
Restoring Division Algorithm
Non-Restoring Division Algorithm
Array Multiplier
Hardwired control and Microprogrammed control Difference

Memory Classification
Memory Characteristics
Memory Organization
Memory Types
Auxiliary Memory
Associative Memory
Cache Memory
Virtual Memory
Paging and Segmentation Difference
Multiprocessor
Interconnection Structures
Interprocessor Arbitration
Interprocessor Communication and Synchronization
Cache Coherence
Shared Memory Multiprocessors

Input Output Interface
Asynchronous Data Transfer
Modes of Data Transfer
Input-Output Programming
Priority Interrupt
Microprogramming
Control Memory
Address Sequencing
Micro Program Examples
Direct Memory Access
Input-Output Processor
Serial Communication

TheCScience

At TheCScience.com, our mission is to make quality education accessible to everyone. We provide in-depth, easy-to-understand articles covering Secondary, Senior Secondary, and Graduation-level subjects.

Our content is designed to simplify complex concepts through clear explanations, diagrams, and structured learning—helping students build strong fundamentals and succeed academically without financial barriers.

Pages

About US

Contact US

Privacy Policy

DMCA

Our Tools

Hosting - get 20% off

Engineering Subjects

Internet of Things

Human Values

Digital Communication

Computer System Architecture

Microprocessor

Programming Tutorials

Data Structure and Algorithm

C

Java

NCERT

Class 12th

©2026 TheCScience | WordPress Theme by SuperbThemes